振動篩12年生產廠家
過濾,除雜,分級

100-1000元
0.26-2.09A電流
0.3-17KN激振力
0.03-0.75KW輸出功率
特點:激振力高、能耗小、噪音低、壽命長
適用:是冶金、礦山、建材、磨料、陶瓷、化工、糧食等工業部門的理想設備

全國統一銷售熱線

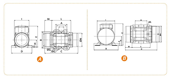
小型振動電機和YZS振動電機、YZU振動電機都是同系列振動電機,其安裝尺寸一致,性能和規格可以互相同時替代。
小型振動電機是在轉子軸兩端各安裝一組可調偏心塊,利用軸及偏心塊高速旋轉產生的離心力得到激振力。并由不同地安裝方式產生不同的物料運動軌跡,以達到不同的篩分目的。

1.使用壽命長,只需定期維護軸承。
2.因利用平穩的回轉產生振動,噪聲低。
3.激振力與出力配合適當,機體質量輕、體積小。
4.可多機組合成各種振動形式,以完成各種作業要求。
5.全封閉結構,可在任何無防爆要求的粉塵條件下工作。
6.只需調節兩端外側的偏心塊,使之與內側偏心塊形成一定的夾角,就可無級調整激振力。
7.電機的設計可隨需要做適當的調整,以適用于特殊的環境:660V或60HZ特殊電壓及電源頻率,氣溫極高或極低的工作場所、防塵防水要求較高的場所、地處海拔較高的場所等。



小型振動電機的激振力高、能耗小、噪音低、壽命長。是直線振動篩、振動給料機、振動給料斗、振動輸送機等各種振動機械,也是冶金、礦山、建材、磨料、陶瓷、化工、糧食等工業部門的理想設備,并可用于各種料倉、料斗、溜槽的倉壁振動,以防止物料滯留,促使物料快速運動。有著極其廣泛的應用范圍。




